CLUB des UTILISATEURS du JAO SYSTEME

 

ALIMENTATION POUR JAO-SYSTEME

Article paru dans le bulletin n° 15 de mai juin 2001

 

par Philippe Cuvelier

1 - Généralités

Une alimentation pour un ensemble de cartes JAO peut se décomposer en quatre parties :

- une alimentation alternative pour les cartes JAO,

- une alimentation continue pour les circuits intégrés des cartes JAO,

- une alimentation continue pour les machines des convois,

- une alimentation continue pour les moteurs des aiguillages.

Chaque alimentation doit satisfaire :

  • aux spécifications du constructeur de JAO-Système,
  • aux besoins de l'utilisateur,

être la plus économique possible

2 - Rappel des notions de base.

Une alimentation continue régulée se compose de trois parties :

- un transformateur,

- un redresseur,

- un régulateur.

Une alimentation alternative ne comprend que le transformateur. (il existe des alimentations alternatives régulées mais elles sont complexes et hors de propos dans cette note technique).

Une alimentation continue non régulée ne comprend qu'un transformateur et un redresseur.

2.1. - Le transformateur est un composant qui transforme la tension du secteur (230 Volts alternatif) en une tension alternative généralement plus basse, adaptée aux besoins.

Il est caractérisé par sa puissance nominale (en Volt-Ampère ou VA) et par la tension nominale de sortie de son ou ses enroulements secondaires.

La tension secondaire est indiquée à la charge nominale. L'écart entre tension à vide et tension nominale sera d'autant plus faible que le transformateur sera de forte puissance ou à faibles pertes.

La puissance nominale correspond à une température maximale au cœur des enroulements pour une température ambiante normale (30°) et une altitude standard (1.000 m).

Pour une altitude différente, vous devez ajouter ou retirer 1 % de puissance par écart de 100 m ; par exemple : + 10 % au niveau de la mer et -20 % à 3.000 m.

Pour un écart sur la température ambiante, le calcul est plus complexe, car il faut connaître la température maximale des bobinages (classe d'isolation), information qui n'est que rarement donnée dans les transformateurs destinés au grand public.

Il est cependant aisé de comprendre l'extrême importance de la température ambiante: un transformateur capable de fournir 100 VA avec une température ambiante de 30° et une température maximum des bobinages de 90° ne sera plus capable que de donner 50 VA pour une température ambiante de 60°. Or, cette température de 60° est très vite atteinte dans un coffret sans ventilation; comme le transformateur est l'élément le plus coûteux d’une alimentation, la ventilation est indispensable. Egalement, le calcul le plus précis possible de vos besoins propres en puissance est essentiel pour éviter d’acheter un transformateur surdimensionné.

2.2. - Le redresseur transforme la tension secondaire alternative en une tension continue.

Il y a deux types de redressement possibles:

- soit 2 diodes tête-bêche pour un enroulement à point milieu (ou 2 enroulements reliés).

- soit un pont de diode ( un enroulement ou deux enroulements en série ou en parallèle).

Le redressement à pont de diodes a des performances légèrement supérieures et, de plus, il est d'utilisation plus facile: pour une tension continue souhaitée de 18 Volts, il suffit de prendre un transformateur de 18 Volts nominal. Si le transformateur comporte deux enroulements (c'est presque toujours le cas) prendre 2 x 9 Volts et les mettre en série. À défaut, prendre 2 x 18 Volts et les mettre en parallèle.

Le pont de diode induit une légère perte de tension (1,4 Volt), perte qui n'est plus négligeable pour des tensions de sortie faibles (<10 Volts) et dont on doit tenir compte.

2.3. - Les régulateurs peuvent être classés en trois catégories :

- le simple condensateur.

- la diode Zener et ses dérivées.

- le régulateur à circuits intégrés.

A- Un simple condensateur peut être considéré comme un régulateur puisque, sans ce composant, la tension de sortie est une tension redressée double-alternance, c'est-à-dire qu'elle varie de 0 à 1,42 Vs (Vs = tension de sortie nominale). Avec un condensateur, suivant la charge, la tension de sortie varie de Vs (à la charge nominale ) à 1,42 Vs (sans charge) : c’est déjà mieux que sans condensateur.

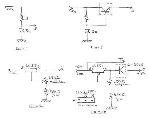
B- La diode Zener permet d'obtenir une tension de sortie régulée (figure 1) mais de faible puissance (<1W).

Cependant, l'ajout d'un transistor simple ou d’un transistor Darlington permet d'atteindre des puissances régulées confortables (figure 2). Cependant, la tension de référence d’une diode Zener n’est pas très constante d’où une perte de précision.

Un autre inconvénient du circuit à diode Zener est, qu’une fois choisie la tension de la diode Zener, il n’est plus possible d’ajuster la tension de sortie sauf à changer de diode Zener à grand coup de fer à souder : pas pratique ! Une solution élégante est de remplacer la diode Zener par un petit circuit LM317T dont la tension de sortie est réglable. Ce circuit délivre une intensité maximum de 1,5 Ampère (figure 3-a). Au-delà, on peut y adjoindre un simple transistor de puissance type 2N 3055 (figure 3-b).

Nota : En ce qui concerne le transistor de puissance, le choix s’opère en fonction de la puissance à dissiper, de l’intensité maximum à fournir ainsi que de son gain en courant (b ). Ce dernier point a son importance car les premiers 2N 3055 avaient un b déplorable, de l’ordre de 30 à 50 ; si donc vous avez un courant de sortie de 6 A, pour un b de 30, il faut un courant de commande de 200mA et l’organe de régulation (Zener ou LM 723 du paragraphe suivant) aura à mal à les fournir. En revanche, dans le cas du circuit de la figure 3-b, le circuit LM317T est assez puissant pour piloter un 2N 3055 même avec un b faible. On trouve actuellement des 2N 3055 avec des b de l’ordre de 250. Si vous n’en trouvez pas, mettez des transistors Darlington MJ 3001 qui ont un b de l’ordre de 500 à 1000 ou alors faite votre circuit Darlington avec un 2N 2218, 2N 2219, ou 2N 2222 et un 2N 3055

Un transistor 2N 3055 peut débiter sans problème 10 à 12 A. Cependant, le radiateur peut se révéler alors insuffisant surtout si la tension de sortie de votre transformateur de récupération est plus élevée que celle spécifiée.

C- Pour quelques Euros de plus, le régulateur à circuit intégré offre trois avantages :

- un ajustement facile et précis de la valeur de la tension régulée.

- une très bonne régulation quel que soit la charge.

- une limitation ajustable de l'intensité de sortie.

Attention ! Il ne s'agit que d'une limitation de courant et non d'un disjoncteur comme sur la carte JAOALIM : dans la carte JAOALIM, au-delà d’une valeur limite de l'intensité (court-circuit ou surcharge sur le canton), l'intensité retombe à quelques dizaines de milliAmpères jusqu'à disparition du défaut; le limiteur se contente de limiter le courant à la valeur préréglée.

Pour des intensités relativement fortes et en cas de court-circuit entre votre alimentation et la carte JAO-ALIM, le radiateur du transistor de sortie du limiteur n'est pas prévue pour dissiper en continu une telle puissance, il peut juste le faire sur son inertie thermique pendant une dizaine de secondes au maximum.

Le circuit intégré utilisé est le LM 723 et le schéma (figure 4) est le modèle simplifié d’une alimentation à tension variable. La résistance RL dont la valeur détermine l’intensité limite IL, est calculée par la formule : R=0,68/ IL (exemple : prendre RL = 0,12 ohm pour IL = 6 A).

Ce circuit LM 723 est un DIP 14 à monter sur un support, ce support sera soudé sur un circuit imprimé adapté (Réf. 0527 718-15 de CONRAD)

3 - Alimentation alternative.

Cette alimentation est utilisée dans le JAO-Système comme test de branchement des cartes JAOALIM (allumage de la diode verte de test) ; elle est indiquée dans la documentation JAO-Système comme " 12 VA " (il s’agit de Volts alternatifs et non Volts-Ampère) et dans certains documents du Club JAO comme " 14 Volts alternatif ". (sans doute un clin d'œil à la tension auxiliaire de JOUEF).

Les spécifications JAO-Système de cette alimentation sont larges (10 à 15 V alternatif en charge). Il n’y a pas de données JAO-Système sur la consommation. La consommation mesurée d’une carte mère JAO1 équipée de ses 16 cartes G - JAOALIM en version de base et de ses 4 cartes JAO-aiguille donne 33 mA sous 13 volts alternatifs soit moins de 0,4 VA ; c’est insignifiant.

Autre spécification JAO-Système sur cette alimentation : elle doit être branchée avant les alimentations machines et aiguilles, d’où l’intérêt d’un double interrupteur secteur : le premier pour les alimentations alternative et 5V et le second branché à la sortie du premier pour les alimentations Machines et Aiguillages .

Solution proposée :

Sachant que notre alimentation doit être ventilée ( un simple ventilateur diamètre 8 cm récupéré sur une vieille alimentation d'ordinateur est suffisant : 12 Volts continu - 8 à 10 W), on propose d’utiliser un transformateur standard de 20 à 25 VA, sorties 2 x 12 Volts ; l'une des sorties sert pour l'alimentation alternative des cartes JAO et l'autre est utilisée pour l'alimentation du ventilateur à travers un pont de diodes 1,5 A.

4 - Alimentation continue 5 Volts des circuits intégrés des cartes JAO

Les spécifications JAO-Système sont de 8 à 10 Volts continu en charge. Il est mieux de fournir juste 8 Volts car le radiateur placé sur chaque carte mère n’a pas vraiment cette vocation.

La consommation mesurée est de 0,9 A pour une carte mère JAO1 équipée de ses 16 cartes G – JAOALIM en version de base et de ses 4 cartes JAO-aiguille ; H. Courgeon m’a indiqué oralement que cette consommation pouvait aller jusqu'à 2 A pour des cartes mère JAO1 équipée de ses 16 cartes G - JAOALIM toutes options ; la raison de cet écart, je pense, provient de la consommation des ampoules de la signalisation ainsi que les ampoules de l’éclairage permanent.

Il est évident que le constructeur est obligé de prévoir son alimentation 5 Volts pour les cas extrêmes dans lesquels on aurait une ribambelle de Convois Voyageurs sur les cantons d’une seule carte mère ; ce n’est pas forcément le cas de toutes les cartes mère EN MËME TEMPS. Pour cette alimentation, il faut donc prévoir 1 Ampère par carte mère, plus 1 à 3 Ampères en fonction du nombre de Convois Voyageurs ACTIFS

Solution proposée.

La solution la plus simple est une alimentation avec un pont de diodes et un condensateur ; cette solution du pauvre est suffisante pour rester dans les limites de 8 à 10 Volts à la condition de ne pas avoir de variation trop importante quant au nombre de cartes JAO installées.

Je m'explique : si vous démarrez votre installation avec 16 cantons (1 carte mère) mais que vous prévoyez, in fine, d’en avoir 80 (5 cartes mère) et que vous réalisez une alimentation assez puissante pour ces 80, alors, avec seulement une carte mère, votre tension de sortie sera supérieure aux 10 Volts limites.

La solution proposée fait appel au schéma de la figure 3. Le potentiomètre ajustable est réglé pour obtenir 8 Volts en sortie avec la charge maximale.

Quelque soit l’intensité de sortie jusqu’à 8 A, le schéma est le même ; adaptez simplement la puissance du transformateur, du redresseur et la capacité du condensateur à votre besoin. Si vous n’avez qu’une carte mère avec des cartes G sans option, vous pouvez même vous passer du transistor de puissance ; attention, dans ce cas, le circuit LM317T aura besoin d’un petit radiateur. Au-delà de 8 A, il faut doubler le circuit de régulation avec son transistor de puissance, chacun des deux circuits alimentant la moitié des cartes mères ; le transformateur, le pont de diodes et le condensateur peuvent être commun aux deux circuits de sortie.

Dans mon cas, le transistor 2N 3055 est monté sur un radiateur de 7,5 x 10 cm (R th = 1,35°/W Réf. 21 2037 de Sélectronic ) avec kit d’isolation car, sur ce radiateur est également placé le transistor MJ 3001 de l’alimentation Machines; pour une intensité permanente de 4 A pour chacune d’entre elles et le radiateur étant placé en face du ventilateur, le radiateur reste tiède : il reste donc de la marge ! ! !

Performances pour un circuit équipé d’un 2N 3055 avec un b faible (35 à 4 A): Pour un circuit réglé à 8,00 Volts pour une charge de 4,0 Ampères, la tension de sortie monte à 8,61 Volts pour une charge de 0,5 Ampères.

Pour un circuit réglé à 8,00 Volts pour une charge de 7,5 Ampères, la tension de sortie monte à 9,40 Volts pour une charge de 0,5 Ampères. On reste encore dans les limites du cahier des charges. Ces modestes performances s’expliquent par le fait que la tension Base/Emetteur du transistor de puissance varie beaucoup avec l’intensité de sortie.

5 - Alimentation Machines.

Selon les spécifications de JAO-Système, cette alimentation doit être régulée et la tension de sortie comprise entre 14 et 16 Volts; il n'est donc pas question d'utiliser le gros transformateur de votre ex-réseau à moins d’y ajouter un condensateur en rapport avec la consommation électrique de vos machines.

Mais, le nombre de machines activées est variable et la solution d’un condensateur seul ne permet pas de respecter ces limites. La solution d’une alimentation avec régulateur s’impose donc naturellement.

Petit problème à résoudre : quelle consommation par machine et combien de machines?

Autant d'échelles, autant de constructeurs de locomotives, autant de machines fonctionnant haut le pied ou avec d'interminables convois, etc... Difficile, non ?

Alors quelques règles de bon sens :

  • 5 ou 6 machines qui roulent en même temps, c'est déjà pas mal;
  • elles le seront pas toutes attelées avec vingt wagons ;
  • ne vous occupez pas des pentes : pour toute pente montante, il y en a une descendante ;
  • vos convois ne sont pas tous des supersoniques, certains iront au pas, etc...

Donc pour déterminer votre consommation moyenne par machine, faites l’essai sur une ligne droite et horizontale avec 2 ou 3 convois de longueur moyenne ; il y a fort à parier que vous allez trouver une consommation de l'ordre de 0,3 à 0,4 A en échelle N et de 0,6 à 0,8 A en échelle HO.

Dans votre comptabilité, ne pas oublier l'éclairage des voitures s'il s'agit de lampes à incandescence; de même, les machines actives mais arrêtées ont une consommation électrique non négligeable, celle-ci est très variable suivant la marque et l’âge de la machine; prendre 0,2 A comme valeur moyenne.

Solution proposée.

Pour un réseau HO assez conséquent, une alimentation fournissant 5 Ampères en continu avec un limiteur à 6 Ampères me paraît une solution raisonnable.

L'intérêt d'un régulateur avec limiteur d'intensité et que, si, par moment, il y a un peu trop de consommation (plus de 6 A), la tension d'alimentation va chuter quelque peu et vous ne vous rendrez probablement compte de rien au niveau de la vitesse de vos machines. Le schéma est celui de la figure 4; l'intensité limite est choisie à 20 % au-dessus de l'intensité nominale ; seule, la valeur de la résistance RL varie en fonction du calcul indiqué au chapitre 2 -C.

L’ampèremètre est placé avant le circuit régulateur pour éviter les chutes de tension.

Le potentiomètre ajustable est réglé pour une tension de sortie de 15 Volts.

Performances: Pour un circuit réglé à 15,02 Volts pour une charge nulle, la tension de sortie tombe à 15,00 Volts pour une charge de 5,0 Ampères.

6 - Alimentation Aiguillages.

C'est essentiellement pour cette alimentation que les solutions jusqu'à présent proposées m’ont paru chères car peu adaptées au problème à résoudre.

Selon la dernière notice JAO-Système, il faut prévoir une alimentation pour un changement simultané de position de 5 à 6 aiguillages pour un changement d’itinéraire ; en fait, cela dépend du réseau de chacun et, dans mon cas, j’ai besoin de prévoir un changement pour 7 aiguilles. Autre spécification, la tension doit être comprise entre 14 et 18 Volts

Les modèles courants de moteurs d'aiguillage fonctionnent sur le principe de l'impulsion : un bref appui sur le bouton met l’aiguillage dans la position désirée si elle ne l'était pas auparavant; JAO-Système fonctionne sur le même principe avec une durée d'impulsion de ½ seconde. On comprend que l'intensité de l'impulsion soit relativement élevée car la résistance d’une bobine d’aiguille est de l'ordre de 25 ohms (JOUEF et ROCO ) ce qui est dans les limites des cartes JAO-AIGUILLE (0,7 A. Les moteurs PILZ (15 ohms) et PECO (8 ohms pour le meilleur des deux moteurs disponibles, 4 ohms pour l’autre) nécessite l'utilisation d'un booster. Sur la base de 7 aiguilles simultanées pour une intensité moyenne par aiguille de 0,5 A, on a donc une intensité de 3,5 A pour une tension de 14 à 18 V. Une solution identique à l'alimentation machines est possible, elle fonctionnera parfaitement; mais c'est un marteau pour tuer une mouche. En effet, cette forte intensité est temporaire, elle ne dure qu'une demi-seconde ; l'idée est donc de disposer d'un stockage d'énergie capable de fournir pendant ½ seconde les 3,5 Ampères nécessaires avec un système de recharge suffisamment rapide pour la commande suivante.

Il existe deux possibilités de stockage facile: les accumulateurs cadmium -nickel ou les condensateurs de fortes capacités.

La solution accumulateurs est éliminée car elle coûte presque aussi cher qu'un transformateur de puissance et, de plus, leur durée de la vie est moyenne, voire faible.

La solution condensateur est idéale : économique, léger, fiable et peu encombrant; il suffit de déterminer la capacité minimale nécessaire et la valeur de l'intensité de recharge pour être opérationnel à nouveau suffisamment rapidement. Un essai montre que 2000 microfarads sous 16 Volts sont suffisant pour modifier la position d’une aiguille JOUEF et qu’avec un courant de charge de 20 mA, le condensateur est rechargé en moins de 2 secondes.

Solution proposée.

On utilise un module de régulation identique à celui de l’alimentation Machines mais avec une résistance RL = 3,3 ohms pour limiter le courant de charge à 200mA et un condensateur de 22 000 MicroFarad/16 Volts: dans ces conditions, le condensateur est prêt à resservir en moins de 2 secondes ; on peut mettre RL = 1,5 ohms pour I = 440 mA et alors il faut moins de 1 seconde de charge.

N’importe quel transistor NPN en boîtier TO220, TOP66 ou X17 peut faire l’affaire comme transistor de puissance ; pour ma part, j’ai mis un BDX53F.

Le module est alimenté par le même transformateur que l’alimentation Machines qui n’est pas à 200 mA près.

Entre le transistor de sortie et le condensateur de puissance est intercalée une diode pour éviter tout courant de retour.

Le potentiomètre ajustable est réglé pour une tension de sortie de 16 Volts pour tenir compte de la tension de service du condensateur. Pour avoir un peu plus d’énergie disponible, vous pouvez mettre un condensateur avec 25 Volts de tension de service et régler le potentiomètre ajustable pour avoir 18 Volts.

7 - Annexes

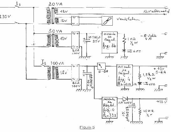
L’ensemble des quatre alimentations est représenté figure 5.

Pour caser tout cela, j’ai utilisé un Rack 19 ‘’ en série économique (H=120 ; L= 440 ; P=250mm. En face avant, sont placés les deux interrupteurs secteur, les deux voyants à LED et l’ampèremètre 5A de l’alimentation Machines ; on peut, dans l’alimentation aiguillages remplacer la résistance de 10kΏ par une résistance de 2,2kΏ et une diode LED.

En face arrière, sont placés le ventilateur, deux douilles 2mm pour l’alimentation alternative et des douilles 4mm pour les autres alimentations ainsi qu’une embase femelle 230 Volts.

J’ai la détestable habitude de ne pas mettre de fusible, rien ne vous oblige à m’imiter. En effet, un fusible ne grille pas quand il le devrait, mais, quand il grille, c’est sans raison (loi de Murphy)

Le câblage est réalisé en fil souple standard sauf pour les circuits de puissance pour lesquels je prends du fil rigide 1,5 mm2.

Nota bene: si votre transformateur pour générer le 12 Volts alternatif ne comporte qu’un enroulement, vous pouvez l’utiliser en branchant le pont de diodes du ventilateur sur cette sortie 12 Volts. Vous pouvez également, pour alimenter le ventilateur, utiliser la sortie 12 Volts continu du transformateur pour le 8 Volts. La seule obligation est d’avoir, pour le 12 Volts alternatif, un enroulement indépendant des enroulements utilisés pour les sorties 8 V, machines et aiguillages

Enfin, mon adresse E-Mail pour toutes vos questions : philippe.cuvelier-flucher@wanadoo.fr

CLUB des UTILISATEURS du JAO SYSTEME

ALIMENTATION POUR JAO-SYSTEME

Sommaire des articles parus au Bulletin du Club

 

Article paru dans le bulletin n° 15 de mai juin 2001
MAJ le 15 août 2001 par Yves Brochard